ケーディーカプラー #145 Metal "WHISKER" Coupler Short (1/4") Overset Shank(4個入り HOゲージ)

  • ケーディー Kadee
  • 型番:kd145

販売価格 1,650円(税込)

購入数

在庫数: 18

この商品をシェア

この商品について

金属製 ケーディーカプラーです。オーバーセットシャンクなので通常のカプラーでは連結相手より高さが高い場合にご使用下さい。ショートタイプなので、連結間隔を短くしたい時にご利用下さい。

メーカ:ケーディー
スケール:HO 1/87
金属製 ケーディーカプラーです。
オーバーセットシャンクなので通常のカプラーでは連結相手より高さが高い場合にご使用下さい。ショートタイプなので、連結間隔を短くしたい時にご利用下さい。

The #145 Kadee® Magne-Matic® WHISKER® Coupler features a Metal Coupler, Metal WHISKER® Centering Spring, insulated Draft Gear Box and Lid. The #145 Coupler may be mounted with supplied 242 draft gear box or with Manufacturers cast-on coupler pockets. It is not recommended to use a metal coupler directly on a metal surface or in a metal draft gear box to avoid the possible electrical crossover or shorting that may cause damage. Use the provided insulated draft gear box.

Package Includes:

(2) Pair #145 Whisker® Metal Couplers - Short Overset Shank
(2) Pair #242 Snap-Together Gearboxes
(2) #622 Knuckle Springs

#145 Whisker® Metal Coupler Features:
Material - Metal
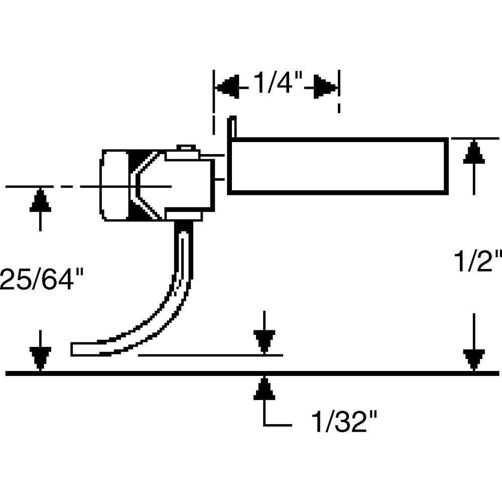
Shank Length - Short (1/4") (center hole to back of coupler head)
Coupler Offset - Overset
Knuckle Spring - #622
Centering System - Whisker®
Head - Standard Head
Works In Place of - #25, #35 (#145 in a #252 box), Short Overset "clone" couplers
Works With - #213, #232, #234, #242, #252, #262, manufacturer cast-on draft gearboxes

#242 Snap-Together Gearbox Features:
Material - Insulated Plastic
Lid Type - Snap-Together
Dimensions - 7/16"L x 5/16"W x 1/8"H
Works With - NO.5®, #58, 20-Series and 40-Series, All Whisker® Couplers

Mounting Specifications:
Mounting Height - 1/2"
Centerline - 25/64"
Trip Pin Height - 1/32"
Center Hole - 2-56 Insulated Screws are the most commonly used. (Screw length will vary)

商品についてのご質問や、追加でご覧になりたい画像など
お気軽にお問い合わせ下さい

この商品について問い合わせる

お客様レビュー

全てのレビュー(0件)を見る »

商品レビューを書く

カートボタンに戻る

売れ筋商品

2026年5月
1 2
3 4 5 6 7 8 9
10 11 12 13 14 15 16
17 18 19 20 21 22 23
24 25 26 27 28 29 30
31
★灰色の日は発送業務をお休みさせていただきます。
ご注文は通常通り受付致します。
メール、お電話でお問い合わせは可能です。